微信扫描二维码,点击右上角 ··· 按钮
转发给朋友或分享到朋友圈
打破传统细胞消化 “孵育 - 取出观察” 方式,活细胞成像仪实时监控细胞消化状态
发布时间:2026-01-23
访问量:376
你是不是还在为传统细胞消化的“孵育 - 取出观察”方式而困扰,明美活细胞成像仪带来新的观察方式。
在胰酶消化过程中,需要综合考虑细胞的类型、状态、培养时间等,因为细胞对于消化过程有着严格的要求,消化时间太短或者太长都会影响细胞的规律生长,甚至会直接抑制细胞活性。
细胞消化的步骤
(1)观察细胞汇合度至80%-90%时即可传代;
(2)清洗:移除旧培养基,再加入PBS清洗1-2次,后吸弃;
(3)胰酶消化:加入胰酶覆盖细胞表面,在培养箱下孵育,期间取出细胞,显微观察到其间隙增大、边缘皱缩、变为圆形时,即消化完全;
(4)终止消化:吸弃胰酶,加入2ml完全培养基,用移液枪反复吹打细胞制成细胞悬液;
(5)离心:收集细胞悬液至15ml离心管中,离心机1000rpm,5min,得到细胞沉淀;
(6)重悬:吸弃上清液,用完全培养基重新悬浮细胞沉淀,吹打均匀;
(7)接种培养:将细胞悬液按比例平均分加到新培养皿中,十字摇匀后,放置培养箱中培养。
值得注意的是,胰酶加入后,会在培养箱下孵育1-5min,然后根据经验将细胞拿出至显微镜下观察,在80%的细胞都收缩呈圆形时,终止消化,但消化过程不免碰到以下问题:
1、消化效果不佳
细胞可能会因为细胞汇合度过高、类型差异、培养器皿等因素导致细胞长时间没有分离,此时操作人员不免需要反复观察,会增加重复工作量,降低整体工作效率。
2、消化过度
细胞黏附能力下降或消化条件过强时,细胞会加速脱落。常规的消化有相对固定的显微镜观察和操作时间窗口,而细胞快速分离的情况往往具有随机性,因此会造成操作的混乱局面以及细胞损伤。

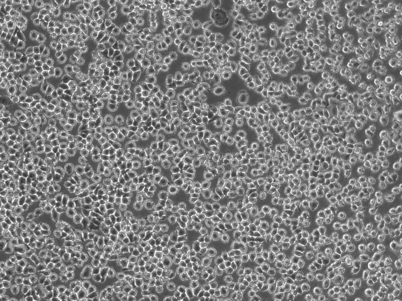
【细胞正常消化图】

【细胞过度消化图】
3、除此之外,批量处理多瓶细胞时,不同样本的漂浮速度可能存在差异,显微下观察时容易出现部分细胞已经脱落、部分还未完全解离的混乱局面,增加操作复杂度。
由此可见,对于细胞消化来说,传统“孵育 - 取出观察” 的方式很难满足不同的消化情形。
而在培养箱内配置明美活细胞成像仪来监控细胞消化状态,可以精准定位最佳消化时间,具备操作精准化、细胞标准化、效率提升、结果稳定化等核心优势:
1、无需频繁取出培养瓶,全程在培养箱的恒温、恒湿、无菌环境下观察细胞形态变化。
2、可实时捕捉“细胞变圆、间隙增大但未完全漂浮” 的最佳节点,精准触发终止操作;避免因 “取出观察的时间差” 导致的消化过度(细胞破裂)或不足(难以脱壁),且成像仪可记录消化全过程的细胞形态图像,形成可视化的实验记录
3、支持定时拍照、自动记录,操作人员可通过终端远程观察,无需守在培养箱旁

4、可导出不同细胞系的最佳消化形态特征(如细胞圆缩比例、间隙宽度),建立标准化判据
便于后续复盘实验、优化消化参数,或用于团队内的操作标准统一。
结语
明美活细胞成像仪对细胞状态进行实时检测,降低操作复杂度,无需将细胞从培养箱反复取出,提高科研效率,让活细胞成像更简单、更高效。明美光电始终以还原细胞真实状态为核心,用稳定的成像性能、智能的分析系统,为科研人员、药企研发、临床研究提供可靠的技术支撑。
微信扫描二维码,点击右上角 ··· 按钮
转发给朋友或分享到朋友圈